精细过滤器类型很多,本样本中提及到的精细过滤器结构或尺寸只是一种典型的工艺要求,为更适合您的要求,请详尽填写表格。
一、产品特性
S M系列金属滤芯精细过滤器是我公司在引进国外先
进技术基础上,研制成功的新一代过滤设备。它的核心部
件——金属微孔过滤芯具有过滤面积大,透气率高、纳污能力
大、强度高、耐高温、耐腐蚀、过滤精度高,净化效率好、压
差小,可清洗再生、维护方便、使用寿命长等许多卓越的优良
性能。 |
 |
二、产品型号标注

三、SM-I型金属纤维烧结滤芯精细过滤器
SM-Ⅰ型金属纤维烧结滤芯精细过滤器,其滤件采用不锈钢金属纤维(316L)烧结碾压制成的多孔深度型滤材经折叠制成的,在相同的外型尺寸下过滤面积是常规管状滤件的3~4倍。因而具有处理量大、压降小,且具有可清洗再生、使用寿命长等优点。过滤精度0.3μm~100μm。
四、SM-II型金属粉末烧结精细过滤器
SM-Ⅱ型金属粉末烧结精细过滤器的核心是粉末治金微孔烧结管,具有耐高温、耐腐蚀、孔径均匀稳定、透气性好、机械强度高、可清洗再用等特点。过滤精度0.01μm~100μm,材质有青铜、不锈钢、钛、镍等。
五、SM-III型金属滤网烧结滤芯精细过滤器
SM-Ⅲ型金属滤网烧结滤芯精细过滤器的滤件,是采用多层金属编织丝网,通过特殊的叠层压制与真空烧结等工艺制造出来的,具有较高强度和整体刚性结构的一种新型多孔滤材,它克服了普通编织金属丝网强度低、刚性差、网孔形状不稳定的不足,清洗再生功能优异,并能够对材料的孔隙大小、渗透性能和强度进行合理的匹配与设计,从而使其综合性能得到大大提高。过滤精度3μm~100μm。
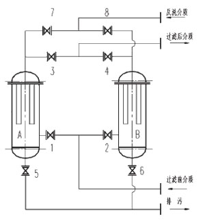
六、金属滤芯精细过滤器双桶并联切换反冲洗过滤系统
该过滤系统采用金属滤芯作为过滤元件,实现系统长期连续运行的目的,其操作方式有手动和程控两种。
说明:
金属滤芯精细过滤器与介质的特性、流量、过滤精度、压差等工艺要求有紧密的关系,为使您得到物有所值,请详尽填写“精细过滤器技术参数提交单”,我们将根据具体工况进行设计定型。
|