欢迎访问南通普瑞斯流体机械有限公司官网!
邮箱地址:
pr@ntprius.com
网站首页
公司简介
企业文化
新闻动态
产品展示
联系我们
电子邮局
产品目录
静态混合设备
管道过滤设备
精细过滤设备
自洁式过滤设备
石化管道设备
冶金设备
乳化机系列
均质机系列
搅拌机系列
分散机系列
混合机系列
输送设备
您当前的位置:
首页
>>
冶金设备
P型煤气冷凝水排水器
S型煤气管道干式冷凝水排水器(落..
1PS型单管式煤气管道冷凝水排水..
2PS型双管式煤气管道冷凝水排水..
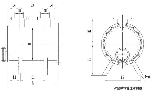
W型煤气管道水封器
5
1